Артикул: 1089

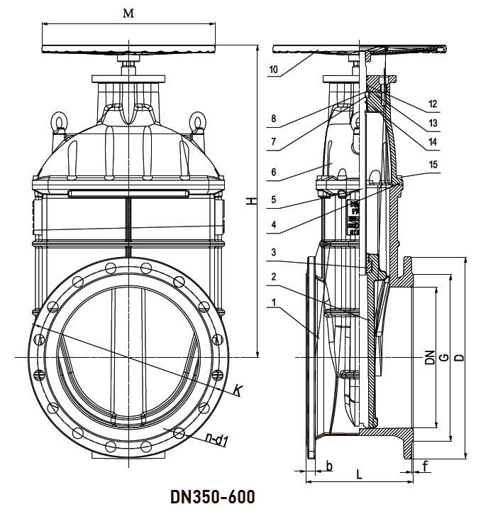
Задвижка чугунная с обрезиненным клином RSV03 DN600 PN10

Диаметр
600 DN
Давление
10 РN
Материал корпуса
Высокопрочный чугун GGG50
Материал клина
Высокопрочный чугун GGG50, покрытый EPDM
Материал штока
Нержавеющая сталь 2Cr13
Единица измерения
шт
Вес в упаковке, кг
655

Задвижка чугунная является арматурой общего назначения, используется в различных отраслях в качестве запорного устройства.


583 899 / шт
648 776
583 899 / шт
648 776

Купить в 1 клик

Задвижка чугунная является арматурой общего назначения, используется в различных отраслях в качестве запорного устройства.


  • Описание

    Задвижки с обрезиненным клином применяются в системах холодного и горячего водоснабжения, а также конструкция задвижки позволяет использовать ее в системах канализации.

    Задвижка – вид запорной арматуры, она позволяет перекрыть поток жидкости в трубопроводе при необходимости. Фланцевый тип задвижки обозначает, что деталь присоединяется между дисками фланцев труб при помощи крепежных элементов. 

    Корпус задвижки RSV03 производится из высокопрочного чугуна GGG50, устойчивого к повышенной влажности, защищенного от ржавчины, стойкого к изменениям температуры.


    Главные преимущества задвижек:


    • Обладают маленьким гидросопротивлением.
    • Отличаются простой конструкцией и способом монтажа.
    • Имеют относительно небольшую цену.
    • Могут применяться в различных условиях.


    Эксплуатация

    • Не удалять с изделия шильдик с маркировкой!
    • Задвижки должны использоваться строго по назначению в соответствии с рабочими параметрами, указанными в технической документации.
    • В процессе эксплуатации, пусконаладочных и ремонтных работ задвижки не допускается использовать в качестве регулирующего устройства.
    • Для своевременного выявления и устранения неисправностей необходимо периодически подвергать задвижку осмотру и проверке. Осмотр производится в соответствии с правилами и нормами, принятыми на предприятии, эксплуатирующем задвижки.
    • По мере необходимости рекомендуется: – производить подтяжку втулки сальника;– восстанавливать нарушенное лакокрасочное защитное покрытие.
    • Все детали задвижек взаимозаменяемые. Переворачивать клин уплотнительными поверхностями не рекомендуется во избежание потери герметичности.
    • Затвор задвижки при эксплуатации необходимо поднимать полностью до верхнего упора и плотно закрывать вручную.


  • Документы

  • Характеристики

    Бренд
    Reon
    Диаметр
    600 DN
    Давление
    10 РN
    Рабочая температура
    От -10⁰С до +95 ˚С
    Максимальная температура
    +120 (кратковременно) ˚С
    Материал корпуса
    Высокопрочный чугун GGG50
    Материал клина
    Высокопрочный чугун GGG50, покрытый EPDM
    Материал штока
    Нержавеющая сталь 2Cr13
    Тип присоединения
    Фланцевое
    Класс герметичности
    А (по ГОСТ 9544-2015)
    Гарантия
    12 мес
    Страна изготовитель
    Китай
    Единица измерения
    шт
    Вес в упаковке, кг
    655
  • Отзывы 0

Удалить товар

Вы точно хотите удалить выбранный товар? Отменить данное действие будет невозможно.

Сравнить
0

Удалить товар

Вы точно хотите удалить выбранный товар? Отменить данное действие будет невозможно.