Артикул: 1105

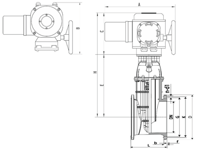
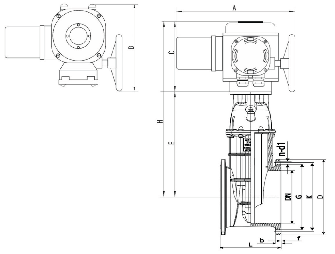
Задвижка чугунная с обрезиненным клином RSV61 DN65 PN10/16 с электроприводом 220В

Диаметр
65 DN
Давление
10/16 РN
Материал корпуса
Высокопрочный чугун GGG50
Материал клина
Высокопрочный чугун GGG50, покрытый EPDM
Материал штока
Нержавеющая сталь 2Cr13
Единица измерения
шт
Вес в упаковке, кг
28.8

Задвижка чугунная является арматурой общего назначения, используется в различных отраслях в качестве запорного устройства.

152 456 / шт
169 395
152 456 / шт
169 395

Купить в 1 клик

Задвижка чугунная является арматурой общего назначения, используется в различных отраслях в качестве запорного устройства.

  • Описание

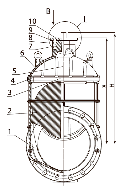
    Задвижки с обрезиненным клином применяются в системах холодного и горячего водоснабжения, а также конструкция задвижки позволяет использовать ее в системах канализации.

    Задвижка – вид запорной арматуры, она позволяет перекрыть поток жидкости в трубопроводе при необходимости. Фланцевый тип задвижки обозначает, что деталь присоединяется между дисками фланцев труб при помощи крепежных элементов. 


    Главные преимущества задвижек:


    • Обладают маленьким гидросопротивлением.
    • Отличаются простой конструкцией и способом монтажа.
    • Имеют относительно небольшую цену.
    • Могут применяться в различных условиях.


    Эксплуатация

    • Не удалять с изделия шильдик с маркировкой!
    • Задвижки должны использоваться строго по назначению в соответствии с рабочими параметрами, указанными в технической документации.
    • В процессе эксплуатации, пусконаладочных и ремонтных работ задвижки не допускается использовать в качестве регулирующего устройства.
    • Для своевременного выявления и устранения неисправностей необходимо периодически подвергать задвижку осмотру и проверке. Осмотр производится в соответствии с правилами и нормами, принятыми на предприятии, эксплуатирующем задвижки.
    • По мере необходимости рекомендуется: – производить подтяжку втулки сальника;– восстанавливать нарушенное лакокрасочное защитное покрытие.
    • Все детали задвижек взаимозаменяемые. Переворачивать клин уплотнительными поверхностями не рекомендуется во избежание потери герметичности.
    • Затвор задвижки при эксплуатации необходимо поднимать полностью до верхнего упора и плотно закрывать вручную.


  • Документы

  • Характеристики

    Бренд
    Reon
    Диаметр
    65 DN
    Давление
    10/16 РN
    Рабочая температура
    От -10⁰С до +95 ˚С
    Максимальная температура
    +120 (кратковременно) ˚С
    Материал корпуса
    Высокопрочный чугун GGG50
    Материал клина
    Высокопрочный чугун GGG50, покрытый EPDM
    Материал штока
    Нержавеющая сталь 2Cr13
    Тип присоединения
    Фланцевое
    Подключение
    220 В
    Класс герметичности
    А (по ГОСТ 9544-2015)
    Гарантия
    12 мес
    Страна изготовитель
    Китай
    Единица измерения
    шт
    Вес в упаковке, кг
    28.8
  • Отзывы 0

Удалить товар

Вы точно хотите удалить выбранный товар? Отменить данное действие будет невозможно.

Сравнить
0

Удалить товар

Вы точно хотите удалить выбранный товар? Отменить данное действие будет невозможно.